Forum Rover MG Communauté Francophone

  • 02 Février 2026, 16:37:07
  • Bienvenue, Invité
Merci de vous connecter ou de vous inscrire.

Connexion avec identifiant, mot de passe et durée de la session
Recherche avancée  

Nouvelles:

Venez vous inscrire sur la carte de France du Forum

Auteur Sujet: [75 CDTi MK2] - (Mécanique) : Souci turbo ? durite ? intercooler ?  (Lu 6345 fois)

Jack Ouille

  • Nouveau fan MG Rover
  • *
  • Évaluation: +0/-0
  • Hors ligne Hors ligne
  • Messages: 6

Bonjour à tous,

Comme indiqué dans ma présentation, je suis nouveau propriétaire d'une 75 2l CDTi MK2 de 2005 (acheté neuve par le précédent propriétaire)

Après quelques soucis que j'ai réussi à régler grace aux autres topics (évacuation d'eau sous le calculateur, réglage du coffre, notament), se pose un souci sur lequel je n'ai pas trouvé de réponse, je vous l'expose donc :

A l'accélération, au moment ou se déclenche le turbo et jusqu'à qu'il se déclenche "entièrement", un bruit de souffle (pas de sifflement) se fait entendre dans l'habitacle, mais genre un beau gros bruit de souffle. Je ne saurai dire s'il y a une perte de puissance car je l'ai connu que comme ça, s'il y en a une elle n'est pas flagrante. Pas de fumée du tout en revanche.

D'où cela peut-il provenir ?

Merci pour votre aide.
IP archivée

gisele

  • Membre ressource
  • *
  • Évaluation: +6/-1
  • Hors ligne Hors ligne
  • Sexe: Homme
  • Messages: 4032
[75 cdti mk2] - (mécanique) : souci turbo ? durite ? intercooler ?
« Réponse #1 le: 10 Avril 2018, 08:56:32 »

Bonjour.
Sans doute le très classique défaut des O-rings de sortie d'intercooler. Attention, si tu décides d'aller y voir, une fois le coude en plastique démonté, il est impossible de le remonter sans changer les joints (gonflement des vieux joints par les vapeurs d'huile).
Les joints de rechange (Vitton) se trouvent facilement sur Ebay.co.uk.
gisele
IP archivée

Jack Ouille

  • Nouveau fan MG Rover
  • *
  • Évaluation: +0/-0
  • Hors ligne Hors ligne
  • Messages: 6
[75 cdti mk2] - (mécanique) : souci turbo ? durite ? intercooler ?
« Réponse #2 le: 10 Avril 2018, 10:42:30 »

Super, merci de ta réponse.

Je suis pas un spécialiste mécanique mais j'arrive à me dépatouiller, peux tu m'en dire plus, par le biais d'une photo par exemple, sur ce o-rings de sortie d'intercooler ?

Ca se change bien ?
IP archivée

ugo

  • Caporal Roveriste
  • *
  • Évaluation: +0/-0
  • Hors ligne Hors ligne
  • Sexe: Homme
  • Messages: 300
[75 cdti mk2] - (mécanique) : souci turbo ? durite ? intercooler ?
« Réponse #3 le: 10 Avril 2018, 11:19:19 »

C'est un classique, une petite recherche sur le forum et tu trouveras toutes les informations.
Deux méthodes pour les changer :
1- avec démontage pare-chocs
https://the75andztclub.co.uk/forum/showthread.php?t=74672&highlight=intercooler+ring
2- sans démontage pare-chocs, demande plus d'attention :saletetedeconquiditaurevoir:
IP archivée

Orgiswing

  • Commandant Roveriste
  • *
  • Évaluation: +0/-0
  • Hors ligne Hors ligne
  • Sexe: Homme
  • Messages: 3420
[75 cdti mk2] - (mécanique) : souci turbo ? durite ? intercooler ?
« Réponse #4 le: 10 Avril 2018, 17:28:44 »


2- sans démontage pare-chocs, demande plus d'attention :saletetedeconquiditaurevoir:


Un lien, ou comment fais-tu?
Faut des doigts fée non?
IP archivée
Il ne faut jamais remettre au lendemain ce qu'on peut faire faire le jour même par un autre !

gisele

  • Membre ressource
  • *
  • Évaluation: +6/-1
  • Hors ligne Hors ligne
  • Sexe: Homme
  • Messages: 4032
[75 cdti mk2] - (mécanique) : souci turbo ? durite ? intercooler ?
« Réponse #5 le: 10 Avril 2018, 19:19:02 »

Moi, je les ai changés sans démontage du pare-choc. Faut effectivement des doigts de fée....
gisele
IP archivée

Jack Ouille

  • Nouveau fan MG Rover
  • *
  • Évaluation: +0/-0
  • Hors ligne Hors ligne
  • Messages: 6
[75 cdti mk2] - (mécanique) : souci turbo ? durite ? intercooler ?
« Réponse #6 le: 11 Avril 2018, 08:58:40 »

Verdict cet après midi. Pour un rugbyman, ce qui me caractérise le plus, c'est pas les doigts de fée..
Je vais sûrement démonter ! 😂
IP archivée

Jack Ouille

  • Nouveau fan MG Rover
  • *
  • Évaluation: +0/-0
  • Hors ligne Hors ligne
  • Messages: 6
[75 cdti mk2] - (mécanique) : souci turbo ? durite ? intercooler ?
« Réponse #7 le: 11 Avril 2018, 23:55:14 »

Je reviens vers vous concernant cette durite. Je n'arrive pas a envoyer de photos (trop lourdes) j'ai démonté la première grosse durite, sur laquelle il y a un branchement électrique. J'ai démonté celle d'en dessous, d'environ le même diamètre. Sur les deux, aucun joint (o-rings). L'intérieur de ces deux durites me paraissent assez grasse.. Il me reste une autre durite, tout en bas, d'un diamètre plus petit. Est ce celle ci qui doit contenir les fameux o-rings ? Je suis désolé mais je pensais pas être perdu à ce point...
IP archivée

gisele

  • Membre ressource
  • *
  • Évaluation: +6/-1
  • Hors ligne Hors ligne
  • Sexe: Homme
  • Messages: 4032
[75 CDTi MK2] - (mécanique) : souci turbo ? durite ? intercooler ?
« Réponse #8 le: 12 Avril 2018, 09:03:21 »

Bonjour.
Les joints ne sont pas  montés sur une durite mais sur le coude en plastique en sortie de l'intercooler. On voit bien sur les photos du lien.
Pour envoyer des photos, tu dois d'abord les redimensionner, en gros en 750x500.
gisele
« Modifié: 12 Avril 2018, 09:04:18 par gisele »
IP archivée

Jack Ouille

  • Nouveau fan MG Rover
  • *
  • Évaluation: +0/-0
  • Hors ligne Hors ligne
  • Messages: 6
[75 cdti mk2] - (mécanique) : souci turbo ? durite ? intercooler ?
« Réponse #9 le: 12 Avril 2018, 09:14:19 »

Sur les photos :

Les deux durites que j'ai enlevé,

L'état intérieur de celle du dessus.

Celle que je n'ai pas touché. Est ce sur le coude de celle ci qu'il est censé y avoir un joint ?





IP archivée

ugo

  • Caporal Roveriste
  • *
  • Évaluation: +0/-0
  • Hors ligne Hors ligne
  • Sexe: Homme
  • Messages: 300
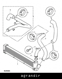
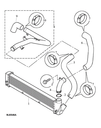
[75 CDTi MK2] - (mécanique) : souci turbo ? durite ? intercooler ?
« Réponse #10 le: 12 Avril 2018, 09:30:30 »

joints repère N°2, entre pièce repère 1 et 4

« Modifié: 12 Avril 2018, 09:59:00 par ugo »
IP archivée

Jack Ouille

  • Nouveau fan MG Rover
  • *
  • Évaluation: +0/-0
  • Hors ligne Hors ligne
  • Messages: 6
[75 cdti mk2] - (mécanique) : souci turbo ? durite ? intercooler ?
« Réponse #11 le: 12 Avril 2018, 18:49:39 »

Merci ugo c'est plus clair. Sur tous les topics et tuto que je regarde sur ce forum, on distingue clairement le radiateur de l'intercooler, sur la mienne, pas du tout. De plus le tube en plastique qui pourrait correspondre n'est pas au même endroit que sur tous les schémas ou photos que j'ai pu voir. C'est une spécificité de la phase 2 ?
IP archivée